|
Реклама
|
6-ти местная зимняя палатка своими руками
- Палатка классическая — шатрового типа: с невысокими (700 мм) вертикальными стенками и крышей в форме четырехгранной пирамиды. Вершина палатки находится на высоте 2 м, что позволяет находиться в ней стоя даже подростку-акселерату.
-

Зимняя шестиместная палатка:
- 1 — скат (4 шт.);
- 2 — боковая рядовая стенка (3 шт.);
- 3 — боковая входная стенка;
- 4 — замок-«молния» (2 шт.);
- 5 — дно; 6 — полог;
- 7 — окантовка отверстия для трубы в скате (жесть);
- 8 — накладка для стойки;
|
- 9 — ребро (киперная лента, 4 шт.);
- 10 — петля (киперная лента, 4 шт.);
- 11 — растяжка (капроновый шнур, 4 шт.);
- 12 — колышек (проволока 06);
- 13 — печка;
- 14 — дымовая труба;
- 15 — центральная трехколенная стойка (дюралюминиевая труба 30x2);
- 16 — кронштейн подвески печи на стойке (сталь, лист s3, 2 шт.);
- 17 — подпятник стойки (дюралюминиевый лист s2)
|
- В плане (вид сверху) палатка квадратная 3x3 м, такое же у нее и дно (или можно назвать — пол). В ней умещаются на ночлег свободно (не прижимаясь к стенкам) шесть человек в спальных мешках и еще остается место для запаса дров на ночь и проход от полога к печке.
-
 |
Расположение спальных мест в палатке:
- 1 — спальные места (6 шт.);
- 2 — центральная стойка;
- 3 — печка;
- 4 — кладка с запасом дров;
- 5 — проход
|
- Ширина полотна приобретенной тиковой ткани составляла 3,2 м, что облегчило выкройку отдельных элементов палатки и сшивание их в единое целое. В случае же, когда ширина материала меньше, то элементы можно сделать и составными, только шов на скатах обязательно должен быть продольным (сверху вниз), а на стенках — вертикальным (при установленной палатке).
- Сшивание элементов производил на старенькой (но вполне работоспособной) машинке «Зингер» обычным бельевым швом. При этом швы шатровой части палатки накрыл киперной лентой 20-мм ширины и пристрочил ее к краям соседних граней. В нижних концах ленту завел в петли (завернул вдвое в обратную сторону). В месте схода всех вершин треугольных шатровых элементов с обеих сторон (изнутри и снаружи) сначала наживил, а потом пристрочил по одной круглой накладке, вырезанной из той же ткани. В этом месте палатку будет подпирать центральная стойка, и такое усиление здесь необходимо.
-

Развертка палатки (материал — льняной тик, или тент):
- 1 — шатровый элемент (4 шт.);
- 2 — боковой элемент (4 шт.);
- 3 — дно-пол;
- 4 — окантовка отверстия;
- 5 — усилительная накладка (2 шт.)
- Забегая вперед, отмечу, что в одном из шатровых элементов (в том, который находится над пологом-входом) было вырезано отверстие под дымовую трубу и окантовано жестью. Но это было сделано после пробной сборки палатки вместе с печкой, и размеры определялись «по месту».
- В одной из боковых стенок выполнен вырез и в него вшиты два замка-«молнии» так, что в застегнутом состоянии замочки сходятся в середине полога. Пол тоже был выкроен из тиковой ткани. Поэтому при разбивке (монтаже) палатки на месте под нее подкладыва-ли полиэтиленовую пленку размерами 4x4 м. Для натяжения пола к его углам были тоже пришиты петли из киперной ленты.
- Еще в оборудование палатки входят растяжки — капроновые шнуры и колышки — отрезки толстой стальной проволоки, заостренные с одной стороны и загнутые в колечко — с другой.
- Окон делать не стали — все-таки палатка-то зимняя, а через них, как и в домах, происходят основные потери тепла.
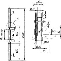
- Устанавливается палатка на одной центральной стойке, выполненной из дюралюминиевой трубы диаметром 30 мм и толщиной стенки 2 мм. Для удобства переноски стойки в рюкзаке она сделана составной из трех колен. Колена соединяются между собой посредством-втулок и скрепляются поперечными болтами, проходящими одновременно через втулки и колена.
-
 |
Центральная стойка:
- 1 — колено (3 шт.);
- 2 — соединительная втулка (2 шт.);
- 3 — крепеж (болт Мб, 4 шт.); 4 — кронштейн подвески печки (сталь, лист s3, 2 шт.)
|
- К среднему колену крепятся такими же поперечными болтами два кронштейна, имеющих форму дуги, выполненных из стального листа толщиной 3 мм. В концах лучей каждой дуги сделаны прорези, в которые и вставляются днищевые и крышевые кромки банки-печки.
- Верхнее колено ориентируют на накладку-усилитель, а под нижнее (чтобы не повредить пол) подкладывают подпятник, выполненный из дюралюминиевого листа толщиной 2 мм. Чтобы стойка с него не соскакивала, в центре сделана небольшая выколотка — бобышка диаметром чуть меньшим отверстия в трубе.
- После монтажа стойки натягивают пол и углы палатки, закрепляя шнуры за ушки колышков.
- Начиная рассказ об обогревателе, стоит отметить, что с его конструкцией определился довольно быстро — это печка типа «буржуйки», и альтернативы ей не было. Только вот над ее конструкцией и даже местом расположения пришлось подумать и поэкспериментировать. Во-первых, печка должна быть переносной, а значит, разборной, а во-вторых — иметь небольшую массу.
- В результате для корпуса печки использовал небольшую банку из-под краски, а трубу печки сделал составной и съемной.
- В обечайке банки недалеко от дна просверлил несколько отверстий — они выполняют роль поддувала. Немного ниже крышки вырезал прямоугольное отверстие и его края загнул наружу — сделал отбортовку. По отверстию сделал из 2-мм стального листа крышку, но с отбортовкой внутрь. Крышку подвесил на кронштейнах так, чтобы она открывалась вверх, а закрывалась самопроизвольно.
-



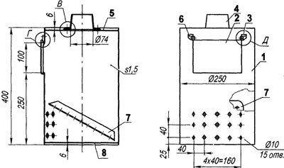
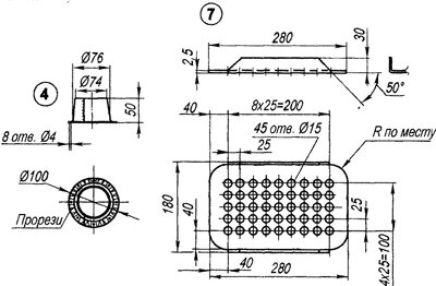
Походная печка:
- 1 — обечайка (стальной лист s1,5, бочка из-под краски);
- 2 — дверца (стальной лист s2);
- 3 — петля дверцы (стальной лист s2);
- 4 — патрубок;
- 5 — крышка (стальной лист s2);
- 6 — заклепки (сталь, d2,5мм., 12 шт.);
- 7 — колосник (сталь, лист s3);
- 8 — днище (стальной лист s2)
- Внутрь печки через отверстие вставил колосник — стальной лист с двумя продольными отбортовками и многочисленными отверстиями. Колосник в печке находится в наклонном положении. Вновь загружаемые дрова сначала подсыхают вверху а затем постепенно оседают и сгорают.
- Вокруг отверстия в крышке банки соорудил патрубок — на него надевается нижнее колено дымовой трубы.
- Патрубок к крышке прикрепил стальными заклепками (но можно было и небольшими болтиками). Верхнее колено дымовой трубы выводится через окантованное жестью отверстие в крыше палатки наружу.
- Печка подвешивается в кронштейнах на центральной стойке на расстоянии около 700 мм от пола до дна. В таком положении она не занимает полезной площади в палатке и равномернее обогревает ее внутренний объем.
- Запас дров складируется у входа в палатку. Дрова лучше использовать сухие и лиственных пород. Очистка зольника производится уже утром: печку снимают, колосник вытаскивают и печку переворачивают. Для топки назначаются сменяемые дежурные.
- В заключение отмечу, что для зимних походов можно использовать и подходящую летнюю палатку, сделав в ее крыше окантованное жестью отверстие для дымовой трубы и дооборудовав нагревательным устройством.
-
Если вам понравился
наш сайт
сообщите о нем
своему другу:
|
|